Yükleniyor..
Soket kontağı adedi : 3
Kimyasal özellik : Üzeri boyanabilir
Montaj türü : Geçmeli
Soket rengi : siyah
Şaft biçimi : Yuvarlak
İlave ürün/İlave açıklama : Sabitleme halkasına sahip
Uzman personel tarafından montaj/demontaj gereklidir! :
HELLA, 1899'da kurulduğu Almanya merkezli, 35 ülkede 34.000'den fazla çalışanıyla dünyanın en büyük 40 otomotiv tedarikçisinden biridir. Aydınlatma ve elektronik ürünlerin satış sonrası üreticisidir.
6PX 358 141-751 stok numaralı bu yedek parça HELLA marka üretimidir. HELLA, 1899'da kurulduğu Almanya merkezli, 35 ülkede 34.000'den fazla çalışanıyla dünyanın en büyük 40 otomotiv tedarikçisinden biridir. Aydınlatma ve elektronik ürünlerin satış sonrası üreticisidir.
Bu ürüne ait bazı OEM kodları 284420001R 284420753R 284425707R 284384EA0A 284384EA0B 284384EA0C vb. şeklindedir.
Bu üründen en fazla 1 adet sipariş verilebilir. 1 adedin üzerindeki siparişleri OTOPARÇASAN iptal etme hakkını saklı tutar. Belirlenen bu limit kurumsal siparişlerde geçerli olmayıp, kurumsal siparişler için farklı limitler belirlenebilmektedir.
Ürün hakkında daha detaylı bilgi ve diğer sorularınız için Otoparcasan.com sitesini 0850 305 20 55 numaradan arayabilirsiniz.
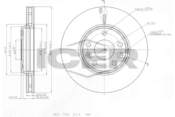
Fren diski türü : Havalandırmalı
Dış çap [mm] : 296
Fren diski kalınlığı [mm] : 26
İlave Ürün/Bilgi 2 : Cıvatalar ile
Yükseklik [mm] : 44
Delik çemberi-Ø [mm] : 114,3
Merkezleme çapı [mm] : 68
Delik sayısı : 5
Miktar birimi : Set
Üst yüzey : Greslenmiş
Ağırlık [kg] : 15,49
Asgari kalınlık [mm] : 23,4
Sıkma torku [Nm] : 110
Ambalaj türü : Kutu
Ambalaj uzunluğu [cm] : 30,5
Ambalaj genişliği [cm] : 30,5
Ambalaj yüksekliği [cm] : 11,5
Ferodo üstün fren sistemi markası olup, hem Orijinal Ekipman hem de yedek parça ürünlerinde global lider konumundadır. Lider teknik inovasyon konusunda 100 yılı aşkın süredir faaliyet göstermektedir
DDF1726 stok numaralı bu yedek parça FERODO marka üretimidir. Ferodo üstün fren sistemi markası olup, hem Orijinal Ekipman hem de yedek parça ürünlerinde global lider konumundadır. Lider teknik inovasyon konusunda 100 yılı aşkın süredir faaliyet göstermektedir
Bu ürüne ait bazı OEM kodları 402066813R 402060002R 402064408R 402066949R 402067023R 8660001233 vb. şeklindedir.
Bu üründen en fazla 1 adet sipariş verilebilir. 1 adedin üzerindeki siparişleri OTOPARÇASAN iptal etme hakkını saklı tutar. Belirlenen bu limit kurumsal siparişlerde geçerli olmayıp, kurumsal siparişler için farklı limitler belirlenebilmektedir.
Ürün hakkında daha detaylı bilgi ve diğer sorularınız için Otoparcasan.com sitesini 0850 305 20 55 numaradan arayabilirsiniz.
Continental AG, 1871 yılında Almanya'nın Hannover kentinde kurulan çok uluslu bir otomotiv parçaları üretim şirketidir. Lastik, ren sistemleri, üç aktarma ve şasi bileşenleri üretiminde uzmanlaşmıştır
7PK1705 stok numaralı bu yedek parça CONTINENTAL marka üretimidir. Continental AG, 1871 yılında Almanya'nın Hannover kentinde kurulan çok uluslu bir otomotiv parçaları üretim şirketidir. Lastik, ren sistemleri, üç aktarma ve şasi bileşenleri üretiminde uzmanlaşmıştır
Bu ürüne ait bazı OEM kodları 7PK1705 1333734 1364060 252124A650 252124A750 11720JA10B vb. şeklindedir.
Bu üründen en fazla 1 adet sipariş verilebilir. 1 adedin üzerindeki siparişleri OTOPARÇASAN iptal etme hakkını saklı tutar. Belirlenen bu limit kurumsal siparişlerde geçerli olmayıp, kurumsal siparişler için farklı limitler belirlenebilmektedir.
Ürün hakkında daha detaylı bilgi ve diğer sorularınız için Otoparcasan.com sitesini 0850 305 20 55 numaradan arayabilirsiniz.
BOSCH, otomotiv yedek parça sektöründe dünya çapında tanınan ve saygın bir markadır. Yenilikçi teknolojileri ve yüksek kaliteli ürünleri ile sektördeki liderliğini sürdürmektedir. Motor parçalarından fren sistemlerine, elektrikli ve elektronik bileşenlerden akü çözümlerine kadar geniş bir ürün yelpazesine sahiptir. BOSCH, müşteri memnuniyetini ön planda tutarak, güvenilirlik ve dayanıklılık sunan çözümler geliştirmektedir. Güçlü mühendislik ve sürekli araştırma ile BOSCH, otomotiv sektöründe güvenilir bir ortak olmayı başarmaktadır.
1 987 947 044 stok numaralı bu yedek parça BOSCH marka üretimidir. BOSCH, otomotiv yedek parça sektöründe dünya çapında tanınan ve saygın bir markadır. Yenilikçi teknolojileri ve yüksek kaliteli ürünleri ile sektördeki liderliğini sürdürmektedir. Motor parçalarından fren sistemlerine, elektrikli ve elektronik bileşenlerden akü çözümlerine kadar geniş bir ürün yelpazesine sahiptir. BOSCH, müşteri memnuniyetini ön planda tutarak, güvenilirlik ve dayanıklılık sunan çözümler geliştirmektedir. Güçlü mühendislik ve sürekli araştırma ile BOSCH, otomotiv sektöründe güvenilir bir ortak olmayı başarmaktadır.
Bu ürüne ait bazı OEM kodları 1987947044 1 987 947 044 1333734 1364060 1172000Q1S 1172000Q1T vb. şeklindedir.
Bu üründen en fazla 1 adet sipariş verilebilir. 1 adedin üzerindeki siparişleri OTOPARÇASAN iptal etme hakkını saklı tutar. Belirlenen bu limit kurumsal siparişlerde geçerli olmayıp, kurumsal siparişler için farklı limitler belirlenebilmektedir.
Ürün hakkında daha detaylı bilgi ve diğer sorularınız için Otoparcasan.com sitesini 0850 305 20 55 numaradan arayabilirsiniz.
Kaburga sayısı : 6
İlave Ürün/Bilgi 2 : Montaj talimatı ile
Parametre : 7PK
Dış çap [mm] : 158
Araç donanımı : Start stop fonksiyonuna sahip araçlar için
CORTECO, 1920'de İtalya'da kurulmuştur. Freudenberg grubunun bir markasıdır. Ürünlerini dünyanın önde gelen otomobil üreticilerinin montaj hatları ve satış sonrası için tedarik etmektedir.
80001434 stok numaralı bu yedek parça CORTECO marka üretimidir. CORTECO, 1920'de İtalya'da kurulmuştur. Freudenberg grubunun bir markasıdır. Ürünlerini dünyanın önde gelen otomobil üreticilerinin montaj hatları ve satış sonrası için tedarik etmektedir.
Bu ürüne ait bazı OEM kodları 8200767762 6260300103 626 030 01 03 A6260300103 A626 030 01 03 1230300Q0A vb. şeklindedir.
Bu üründen en fazla 1 adet sipariş verilebilir. 1 adedin üzerindeki siparişleri OTOPARÇASAN iptal etme hakkını saklı tutar. Belirlenen bu limit kurumsal siparişlerde geçerli olmayıp, kurumsal siparişler için farklı limitler belirlenebilmektedir.
Ürün hakkında daha detaylı bilgi ve diğer sorularınız için Otoparcasan.com sitesini 0850 305 20 55 numaradan arayabilirsiniz.
Montaj tarafı : Ön aksın solu
İlave Ürün/Bilgi 2 : Bilya yatağı yok
Mga 1980 yılında Martaş Otomotiv'in tescilli markası olarak kurulmuştur. Oto parça sektörünün mekanik ve elektrik kategorilerinde güvenilir üreticilere yedek parça ürettiren yerli bir markadır.
952112 stok numaralı bu yedek parça MGA marka üretimidir. Mga 1980 yılında Martaş Otomotiv'in tescilli markası olarak kurulmuştur. Oto parça sektörünün mekanik ve elektrik kategorilerinde güvenilir üreticilere yedek parça ürettiren yerli bir markadır.
Bu ürüne ait bazı OEM kodları 543200004R 543200008R 543A04986R vb. şeklindedir.
Bu üründen en fazla 1 adet sipariş verilebilir. 1 adedin üzerindeki siparişleri OTOPARÇASAN iptal etme hakkını saklı tutar. Belirlenen bu limit kurumsal siparişlerde geçerli olmayıp, kurumsal siparişler için farklı limitler belirlenebilmektedir.
Ürün hakkında daha detaylı bilgi ve diğer sorularınız için Otoparcasan.com sitesini 0850 305 20 55 numaradan arayabilirsiniz.
Montaj tarafı : Ön aksın solu
SVHC : Bilgi yok, lütfen üreticiye danışın!
LEMFÖRDER, 1947 yılında Almanya'da kurulmuştur. Otomobil ana sanayiye parça üretir. VW, Mercedes-Benz, BMW, Audi, Ford, Volvo gibi ortakları vardır. ZF Friedrichshafen AG Corporation'ın bir parçasıdır
39168 01 stok numaralı bu yedek parça LEMFÖRDER marka üretimidir. LEMFÖRDER, 1947 yılında Almanya'da kurulmuştur. Otomobil ana sanayiye parça üretir. VW, Mercedes-Benz, BMW, Audi, Ford, Volvo gibi ortakları vardır. ZF Friedrichshafen AG Corporation'ın bir parçasıdır
Bu ürüne ait bazı OEM kodları 482033202R 48 20 332 02R 482034451R 48 20 344 51R vb. şeklindedir.
Bu üründen en fazla 1 adet sipariş verilebilir. 1 adedin üzerindeki siparişleri OTOPARÇASAN iptal etme hakkını saklı tutar. Belirlenen bu limit kurumsal siparişlerde geçerli olmayıp, kurumsal siparişler için farklı limitler belirlenebilmektedir.
Ürün hakkında daha detaylı bilgi ve diğer sorularınız için Otoparcasan.com sitesini 0850 305 20 55 numaradan arayabilirsiniz.
İlave ürün/İlave açıklama : Merkezi ayırıcı ile
İlave Ürün/Bilgi 2 : Volan ile
Tespit borularının sayısı : 6
SVHC : SVHC maddesi mevcut değil!
Schaeffler Technologies'e ait bir markadır. Şirket 1946 yılında Wilhelm ve Georg Schaeffler kardeşler tarafından Almanya'da kuruldu. Schaeffler'in ana markaları - INA, FAG ve LuK gibi ünlü markalardır
623 3416 09 stok numaralı bu yedek parça LUK marka üretimidir. Schaeffler Technologies'e ait bir markadır. Şirket 1946 yılında Wilhelm ve Georg Schaeffler kardeşler tarafından Almanya'da kuruldu. Schaeffler'in ana markaları - INA, FAG ve LuK gibi ünlü markalardır
Bu ürüne ait bazı OEM kodları 30100ED80A 12310ET000 12310-ET000 12310ET00A 12310-ET00A 12310ET01C vb. şeklindedir.
Bu üründen en fazla 1 adet sipariş verilebilir. 1 adedin üzerindeki siparişleri OTOPARÇASAN iptal etme hakkını saklı tutar. Belirlenen bu limit kurumsal siparişlerde geçerli olmayıp, kurumsal siparişler için farklı limitler belirlenebilmektedir.
Ürün hakkında daha detaylı bilgi ve diğer sorularınız için Otoparcasan.com sitesini 0850 305 20 55 numaradan arayabilirsiniz.
İlave ürün/İlave açıklama : Merkezi ayırıcı ile
İlave Ürün/Bilgi 2 : Volan ile
Tespit borularının sayısı : 6
SVHC : SVHC maddesi mevcut değil!
Schaeffler Technologies'e ait bir markadır. Şirket 1946 yılında Wilhelm ve Georg Schaeffler kardeşler tarafından Almanya'da kuruldu. Schaeffler'in ana markaları - INA, FAG ve LuK gibi ünlü markalardır
623 3419 09 stok numaralı bu yedek parça LUK marka üretimidir. Schaeffler Technologies'e ait bir markadır. Şirket 1946 yılında Wilhelm ve Georg Schaeffler kardeşler tarafından Almanya'da kuruldu. Schaeffler'in ana markaları - INA, FAG ve LuK gibi ünlü markalardır
Bu ürüne ait bazı OEM kodları 30100ED80A 12310ET000 12310-ET000 12310ET00A 12310-ET00A 12310ET01C vb. şeklindedir.
Bu üründen en fazla 1 adet sipariş verilebilir. 1 adedin üzerindeki siparişleri OTOPARÇASAN iptal etme hakkını saklı tutar. Belirlenen bu limit kurumsal siparişlerde geçerli olmayıp, kurumsal siparişler için farklı limitler belirlenebilmektedir.
Ürün hakkında daha detaylı bilgi ve diğer sorularınız için Otoparcasan.com sitesini 0850 305 20 55 numaradan arayabilirsiniz.
İlave ürün/İlave açıklama : Merkezi ayırıcı ile
İlave Ürün/Bilgi 2 : Volan ile
Tespit borularının sayısı : 6
SVHC : SVHC maddesi mevcut değil!
Schaeffler Technologies'e ait bir markadır. Şirket 1946 yılında Wilhelm ve Georg Schaeffler kardeşler tarafından Almanya'da kuruldu. Schaeffler'in ana markaları - INA, FAG ve LuK gibi ünlü markalardır
623 3419 33 stok numaralı bu yedek parça LUK marka üretimidir. Schaeffler Technologies'e ait bir markadır. Şirket 1946 yılında Wilhelm ve Georg Schaeffler kardeşler tarafından Almanya'da kuruldu. Schaeffler'in ana markaları - INA, FAG ve LuK gibi ünlü markalardır
Bu ürüne ait bazı OEM kodları 30100ED80A 12310ET000 12310-ET000 12310ET00A 12310-ET00A 12310ET01C vb. şeklindedir.
Bu üründen en fazla 1 adet sipariş verilebilir. 1 adedin üzerindeki siparişleri OTOPARÇASAN iptal etme hakkını saklı tutar. Belirlenen bu limit kurumsal siparişlerde geçerli olmayıp, kurumsal siparişler için farklı limitler belirlenebilmektedir.
Ürün hakkında daha detaylı bilgi ve diğer sorularınız için Otoparcasan.com sitesini 0850 305 20 55 numaradan arayabilirsiniz.
Mga 1980 yılında Martaş Otomotiv'in tescilli markası olarak kurulmuştur. Oto parça sektörünün mekanik ve elektrik kategorilerinde güvenilir üreticilere yedek parça ürettiren yerli bir markadır.
951419 stok numaralı bu yedek parça MGA marka üretimidir. Mga 1980 yılında Martaş Otomotiv'in tescilli markası olarak kurulmuştur. Oto parça sektörünün mekanik ve elektrik kategorilerinde güvenilir üreticilere yedek parça ürettiren yerli bir markadır.
Bu ürüne ait bazı OEM kodları 46520129 102000981500 102185 102508 102866 105263081500 vb. şeklindedir.
Bu üründen en fazla 1 adet sipariş verilebilir. 1 adedin üzerindeki siparişleri OTOPARÇASAN iptal etme hakkını saklı tutar. Belirlenen bu limit kurumsal siparişlerde geçerli olmayıp, kurumsal siparişler için farklı limitler belirlenebilmektedir.
Ürün hakkında daha detaylı bilgi ve diğer sorularınız için Otoparcasan.com sitesini 0850 305 20 55 numaradan arayabilirsiniz.
Starter gücü [kW] : 2,2
Gerilim [V] : 12
Tespit borularının sayısı : 3
Flanş çapı [mm] : 76
Dönme yönü : Dönme yönü saat yönünde
Klemens : B+ M8
Diş sayısı : 10
OE numarası için : TS22E1
Mga 1980 yılında Martaş Otomotiv'in tescilli markası olarak kurulmuştur. Oto parça sektörünün mekanik ve elektrik kategorilerinde güvenilir üreticilere yedek parça ürettiren yerli bir markadır.
29109 stok numaralı bu yedek parça MGA marka üretimidir. Mga 1980 yılında Martaş Otomotiv'in tescilli markası olarak kurulmuştur. Oto parça sektörünün mekanik ve elektrik kategorilerinde güvenilir üreticilere yedek parça ürettiren yerli bir markadır.
Bu ürüne ait bazı OEM kodları 233002654R 93456401 93857703 93859136 93863426 M001T80681 vb. şeklindedir.
Bu üründen en fazla 1 adet sipariş verilebilir. 1 adedin üzerindeki siparişleri OTOPARÇASAN iptal etme hakkını saklı tutar. Belirlenen bu limit kurumsal siparişlerde geçerli olmayıp, kurumsal siparişler için farklı limitler belirlenebilmektedir.
Ürün hakkında daha detaylı bilgi ve diğer sorularınız için Otoparcasan.com sitesini 0850 305 20 55 numaradan arayabilirsiniz.
Montaj tarafı : Sol arka
Soket kontağı adedi : 4
Şalter aydınlatması : kehribar rengi
OE numarası için : 254010003R
Mga 1980 yılında Martaş Otomotiv'in tescilli markası olarak kurulmuştur. Oto parça sektörünün mekanik ve elektrik kategorilerinde güvenilir üreticilere yedek parça ürettiren yerli bir markadır.
31348 stok numaralı bu yedek parça MGA marka üretimidir. Mga 1980 yılında Martaş Otomotiv'in tescilli markası olarak kurulmuştur. Oto parça sektörünün mekanik ve elektrik kategorilerinde güvenilir üreticilere yedek parça ürettiren yerli bir markadır.
Bu ürüne ait bazı OEM kodları 254010003R 809600004R 809600018R 809600750R vb. şeklindedir.
Bu üründen en fazla 1 adet sipariş verilebilir. 1 adedin üzerindeki siparişleri OTOPARÇASAN iptal etme hakkını saklı tutar. Belirlenen bu limit kurumsal siparişlerde geçerli olmayıp, kurumsal siparişler için farklı limitler belirlenebilmektedir.
Ürün hakkında daha detaylı bilgi ve diğer sorularınız için Otoparcasan.com sitesini 0850 305 20 55 numaradan arayabilirsiniz.
Mga 1980 yılında Martaş Otomotiv'in tescilli markası olarak kurulmuştur. Oto parça sektörünün mekanik ve elektrik kategorilerinde güvenilir üreticilere yedek parça ürettiren yerli bir markadır.
64151 stok numaralı bu yedek parça MGA marka üretimidir. Mga 1980 yılında Martaş Otomotiv'in tescilli markası olarak kurulmuştur. Oto parça sektörünün mekanik ve elektrik kategorilerinde güvenilir üreticilere yedek parça ürettiren yerli bir markadır.
Bu ürüne ait bazı OEM kodları 8200280065 82 00 280 065 H8200327690 H82 00 327 690 1380067JA0 13800-67JA0 vb. şeklindedir.
Bu üründen en fazla 1 adet sipariş verilebilir. 1 adedin üzerindeki siparişleri OTOPARÇASAN iptal etme hakkını saklı tutar. Belirlenen bu limit kurumsal siparişlerde geçerli olmayıp, kurumsal siparişler için farklı limitler belirlenebilmektedir.
Ürün hakkında daha detaylı bilgi ve diğer sorularınız için Otoparcasan.com sitesini 0850 305 20 55 numaradan arayabilirsiniz.
Fren diski kalınlığı [mm] : 23,4
Dış çap [mm] : 295,9
Fren diski türü : Havalandırmalı
Yükseklik [mm] : 43,9
Merkezleme çapı [mm] : 68
Delik çemberi-Ø [mm] : 114,3
Aks modeli : Front
Teknik bilgi numarası : 78BD4668-2
Çap [mm] : 68
Kalınlık/Kuvvet [mm] : 26
Asgari kalınlık [mm] : 23,4
Delik şekli/Delik sayısı : 5
Mga 1980 yılında Martaş Otomotiv'in tescilli markası olarak kurulmuştur. Oto parça sektörünün mekanik ve elektrik kategorilerinde güvenilir üreticilere yedek parça ürettiren yerli bir markadır.
50543 stok numaralı bu yedek parça MGA marka üretimidir. Mga 1980 yılında Martaş Otomotiv'in tescilli markası olarak kurulmuştur. Oto parça sektörünün mekanik ve elektrik kategorilerinde güvenilir üreticilere yedek parça ürettiren yerli bir markadır.
Bu ürüne ait bazı OEM kodları 402060002R 402064408R 402066813R 402066949R 402067023R 8660001233 vb. şeklindedir.
Bu üründen en fazla 1 adet sipariş verilebilir. 1 adedin üzerindeki siparişleri OTOPARÇASAN iptal etme hakkını saklı tutar. Belirlenen bu limit kurumsal siparişlerde geçerli olmayıp, kurumsal siparişler için farklı limitler belirlenebilmektedir.
Ürün hakkında daha detaylı bilgi ve diğer sorularınız için Otoparcasan.com sitesini 0850 305 20 55 numaradan arayabilirsiniz.
Gerilim [V] : 12
Starter gücü [kW] : 2,2
Güvence olmayan yeni parça :
Dönme yönü : Dönme yönü saat yönünde
Kalite : DENSO
Diş sayısı : 10
Brüt ağırlık [g] : 4.190
DENSO, 1949 yılında kurulmuş olan global Japon otomotiv yedek parça markasıdır. Denso ilk başta yüksek kaliteli bujileri nedeniyle popüler hale gelmiş daha sonra ürün yelpazesini çeşitlendirmiştir.
DSN3041 stok numaralı bu yedek parça DENSO marka üretimidir. DENSO, 1949 yılında kurulmuş olan global Japon otomotiv yedek parça markasıdır. Denso ilk başta yüksek kaliteli bujileri nedeniyle popüler hale gelmiş daha sonra ürün yelpazesini çeşitlendirmiştir.
Bu ürüne ait bazı OEM kodları 233002654R 4709060300 470 906 03 00 4709069400 470 906 94 00 A4709060300 vb. şeklindedir.
Bu üründen en fazla 1 adet sipariş verilebilir. 1 adedin üzerindeki siparişleri OTOPARÇASAN iptal etme hakkını saklı tutar. Belirlenen bu limit kurumsal siparişlerde geçerli olmayıp, kurumsal siparişler için farklı limitler belirlenebilmektedir.
Ürün hakkında daha detaylı bilgi ve diğer sorularınız için Otoparcasan.com sitesini 0850 305 20 55 numaradan arayabilirsiniz.
Otoparçasan'a Nasıl Üye Olabilirim?
Sayfanın sağ üstünde yer alan “Giriş Yap” sekmesine tıklayın.
Karşınıza çıkacak sayfanın sağ tarafında “Henüz Üye Değil misiniz” kısmının en altında yer alan “Hemen Kayıt Ol” sekmesine tıklayarak açılan sayfadaki üyelik formunu doldurun. Artık üyemizsiniz.
Aramıza katıldığınızda kampanyalardan, indirimlerden ve daha pek çok fırsattan herkesten önce haberdar olacak, Garajım sekmesine seçtiğiniz aracı kaydederek tekrar arama zahmetinden kurtulacak ve Otoparçasan’a üye olmanın sürekli eklenecek ayrıcalıklarını yaşayacaksınız.
Üyelik Bilgilerimi Nasıl Değiştirebilirim?
Üyelik bilgilerinizi güncellemek için ana sayfanın sağ üst köşesinde bulunan isminizin yazıldığı menünün üzerine fare imlecinizi getirin. İmleci isminizin üzerine getirir getirmez aşağıya doğru açan listeden “Üyelik Bilgilerim” sekmesine tıklayın.
Üyelik Bilgilerime tıkladıktan sonra karşınıza çıkacak form üzerinde yazılmış bilgileri değiştirdikten sonra “Güncelle” butonuna basın. Bilgileriniz güncellenmiş olacaktır.
Şifremi Unuttum, Ne Yapmalıyım?
Şifrenizi değiştirmek ve güncellemek için ana sayfanın sağ üst köşesinde bulunan İsminizin yazıldığı menünün üzerine fare imlecinizi getirin.
Karşınıza çıkacak sekmelerden “Şifre Güncelleme” sekmesine tıklayın. Form üzerinde yazılmış bilgileri değiştirdikten sonra “Güncelle” butonuna basın. Bilgileriniz güncellenmiş olacaktır.
Arabam için doğru parçayı nasıl bulabilirim?
Ana sayfada en üst sol köşede yer alan "Aracınızı Seçiniz' başlığının altında yer alan "Şase No" sekmesine araç ruhsatınızda yazılan şase numarasını girin ya da manuel olarak 8 adımlı tablodan aracınızı seçin.
Aracınızı seçtikten sonra biz de aracınızın parçalarını aracınıza uygun olacak şekilde filtreliyoruz.
Doğru yedek parçayı bulduğunuzdan emin olmak için ürün detay sayfasında "Ürün Özellikleri" bölümünü kontrol etmeyi unutmayın
İlgilendiğim bir ürün hakkında daha detaylı bilgi alabilir miyim?
Size tüm ürünlerimiz hakkında mümkün olduğunca fazla bilgi vermeye çalışıyoruz, ancak herhangi bir ek bilgiye ihtiyacınız varsa, lütfen WhatsApp Destek Hattı üzerinden, e-posta göndererek (info@otoparcasan.com) veya +90 552 3104055 numaralı telefondan arayarak müşteri hizmetleri ekibimizle iletişim kurmayı deneyebilirsiniz. Böylece müşteri hizmeti ekibimiz size ihtiyacınız olan tüm bilgileri birebir ve detaylı olarak paylaşacaktır.
Fren Disk Aynaları ve Fren Disk Balataları tek veya çift olarak mı geliyor?
Tüm standart Fren Disk Aynaları ayrı ayrı satılmaktadır. Fren Disk Balatalar ön veya arka takım (set) olarak satılmaktadır. Bu nedenle iki adet Fren Disk Ayna için bir takım Fren disk balatası satın almak yeterli olacaktır.
Araç bilgilerimi girdim, ihtiyaç duyduğum bir parça aradığımda neden aynı markanın birden fazla parçası çıkıyor?
Üretici markaların belirli araçlara bilerek birden fazla parça tanımladığını biliyor muydunuz? (marka, model, yıl ve motor boyutunu alsak bile!).
Aracınız için doğru parçayı doğrulamak için lütfen 'Ürün özellikleri' bölümündeki detayları kontrol ederek aradığınız yedek parçaya uyumlu olduğundan emin olun. Eğer yine de aradığınız parçadan emin değilseniz, +90 552 3104055 numaralı telefondan bizi arayabilirsiniz.
Aradığım bir parça Otoparçasan'da listelenmiyor. Bulamadığım bu parçayı üreticilerden benim için temin edebilir misiniz?
Evet. Müşteri ilişkileri ekibimiz aracılığıyla sizin için sitemizde listelenmeyen yedek parçayı temin edebiliriz.
Aradığınız parçayı tedarik etmek için elimizden geleni yapacağız. +90 552 3104055 numaralı telefondan bizi arayabilirsiniz.
Fiyatlarınıza KDV dahil midir?
Tüm fiyatlarımıza KDV dahildir.
Aradığım bir ürünün stokta olup olmadığını nasıl kontrol ederim?
Her ürünün listeleme ve ürün detay bilgilerinin stok durumları yeşil ve kırmızı renklerle belirtilmiştir. Ayrıca bir ürün çevrimiçi sipariş edilebilirse, bu o ürünün stokta olduğu anlamına gelir. Web sitemiz stok durumunu açıkça gösterir.
Bir ürünün stokta olup olmadığını önceden bilmek isterseniz, lütfen e-posta veya +90 552 3104055 numaralı telefondan bizimle iletişime geçmekten çekinmeyin.
İade etmek istediğim siparişte nelere dikkat etmeliyim?
Siparişlerinizi 14 gün içerisinde iade etme hakkınız bulunmaktadır. Ancak göndereceğiniz ürünlerin yeniden satılabilirlik halinin bozulmamış olması gerekmektedir. Siparişinizde yer alan ürünlerin kullanılmamış, hasar görmememiş ve tüm aksesuarlarının tamam olmasına dikkat etmelisiniz. Ayrıca ürünlerin orijinal kutuları üzerine etiket, bant, sticker gibi orijinalliği bozacak herhangi bir uygulama yapılmamalıdır. Bu durumlarda iadeniz ne yazık ki kabul edilemeyecektir.
/robot/aaa.png)
Destek hattımıza Hafta içi : 08:45 - 18:00 - Hafta Sonu : 08:45 - 15:00 aralığında dilediğiniz zaman ulaşabilirsiniz. Veya;
Mailimize talebinizi iletebilirsiniz. En kısa zamanda dönüş sağlayacağız.