Yükleniyor..
Gerilim [V] : 12
Starter gücü [kW] : 0,9
Tespit borularının sayısı : 3
Dönme yönü : Dönme yönü saat yönünde
Kalite : STANDARD LINE
Versiyon : D6RA5
Diş sayısı : 9
Lucas Elektrik 1960 yılında İstanbul'da Mehmet Sakallıoğlu tarafından kurulmuş ve ilk dinamo üretimini yapmıştır. Lucas UK ile birleşerek isim değişikliğine gitmiştir. 1998'de tamamen yerli olmuştur.
LES0287 stok numaralı bu yedek parça LUCAS ELEKTRIK marka üretimidir. Lucas Elektrik 1960 yılında İstanbul'da Mehmet Sakallıoğlu tarafından kurulmuş ve ilk dinamo üretimini yapmıştır. Lucas UK ile birleşerek isim değişikliğine gitmiştir. 1998'de tamamen yerli olmuştur.
Bu ürüne ait bazı OEM kodları 3960404 580298 5802A0 558098 5801A4(X) 5801C4(X) vb. şeklindedir.
Bu üründen en fazla 1 adet sipariş verilebilir. 1 adedin üzerindeki siparişleri OTOPARÇASAN iptal etme hakkını saklı tutar. Belirlenen bu limit kurumsal siparişlerde geçerli olmayıp, kurumsal siparişler için farklı limitler belirlenebilmektedir.
Ürün hakkında daha detaylı bilgi ve diğer sorularınız için Otoparcasan.com sitesini 0850 305 20 55 numaradan arayabilirsiniz.
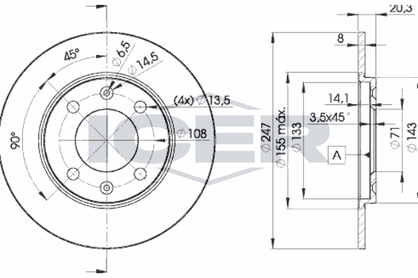
Fren diski kalınlığı [mm] : 8
Dış çap [mm] : 247
Fren diski türü : dolu
Yükseklik [mm] : 34
Merkezleme çapı [mm] : 66
Delik çemberi-Ø [mm] : 108
Aks modeli : Front & Rear
Teknik bilgi numarası : 78BD4689-2
Kontrol işareti : E1 90R-02C0100/0107
Çap [mm] : 66
Kalınlık/Kuvvet [mm] : 10
Asgari kalınlık [mm] : 8
Delik şekli/Delik sayısı : 4
Ağırlık [kg] : 6.608
Kale Balata 1976 yılında İstanbul'da kurulmuştur. Üretimlerini Gebze'de 16000 metrekarelik alanda sürdürmektedir. Ayna disk fren ve kavisli fren balatası üretiminde uzmanlaşmış öncü bir markadır.
TFD00130 stok numaralı bu yedek parça KALE BALATA marka üretimidir. Kale Balata 1976 yılında İstanbul'da kurulmuştur. Üretimlerini Gebze'de 16000 metrekarelik alanda sürdürmektedir. Ayna disk fren ve kavisli fren balatası üretiminde uzmanlaşmış öncü bir markadır.
Bu ürüne ait bazı OEM kodları 96070525 E169001 4246A5 4246A5SK 424689 424995 vb. şeklindedir.
Bu üründen en fazla 1 adet sipariş verilebilir. 1 adedin üzerindeki siparişleri OTOPARÇASAN iptal etme hakkını saklı tutar. Belirlenen bu limit kurumsal siparişlerde geçerli olmayıp, kurumsal siparişler için farklı limitler belirlenebilmektedir.
Ürün hakkında daha detaylı bilgi ve diğer sorularınız için Otoparcasan.com sitesini 0850 305 20 55 numaradan arayabilirsiniz.
Montaj tarafı : Arka
Ağırlık [kg] : 0,33
İç çap [mm] : 12
Dış çap [mm] : 30
Yataklama türü : Lastik metal yatağı
Ağırlık [g] : 330
2012 yılında Almanya'da doğan Kraftvoll Germany, Türkiye'de ve Madrid protokolü çerçevesinde dünya genelinde tescillenmiş otomotiv yedek parça markasıdır.
10050225 stok numaralı bu yedek parça KRAFTVOLL marka üretimidir. 2012 yılında Almanya'da doğan Kraftvoll Germany, Türkiye'de ve Madrid protokolü çerçevesinde dünya genelinde tescillenmiş otomotiv yedek parça markasıdır.
Bu ürüne ait bazı OEM kodları 180608 180614 180616 180617 180636 180642 vb. şeklindedir.
Bu üründen en fazla 1 adet sipariş verilebilir. 1 adedin üzerindeki siparişleri OTOPARÇASAN iptal etme hakkını saklı tutar. Belirlenen bu limit kurumsal siparişlerde geçerli olmayıp, kurumsal siparişler için farklı limitler belirlenebilmektedir.
Ürün hakkında daha detaylı bilgi ve diğer sorularınız için Otoparcasan.com sitesini 0850 305 20 55 numaradan arayabilirsiniz.
Montaj tarafı : Önden
Silecek modeli : Kollu silecek
Miktar : 2
Uzunluk 1 [mm] : 510
Uzunluk 2 [mm] : 510
Uzunluk 1 [inç] : 20
Uzunluk 2 [inç] : 20
Uygun adaptör : U + U
Valeo, dünya çapında güvenilirliği kanıtlanmış bir otomotiv yedek parça markasıdır. Fren, debriyaj, aydınlatma, filtre ve elektrik sistemleri için yüksek kaliteli çözümler sunar.
576007 stok numaralı bu yedek parça VALEO marka üretimidir. Valeo, dünya çapında güvenilirliği kanıtlanmış bir otomotiv yedek parça markasıdır. Fren, debriyaj, aydınlatma, filtre ve elektrik sistemleri için yüksek kaliteli çözümler sunar.
Bu ürüne ait bazı OEM kodları 1272339 1611346380 6426HT 16 113 463 80 6426-HT vb. şeklindedir.
Bu üründen en fazla 1 adet sipariş verilebilir. 1 adedin üzerindeki siparişleri OTOPARÇASAN iptal etme hakkını saklı tutar. Belirlenen bu limit kurumsal siparişlerde geçerli olmayıp, kurumsal siparişler için farklı limitler belirlenebilmektedir.
Ürün hakkında daha detaylı bilgi ve diğer sorularınız için Otoparcasan.com sitesini 0850 305 20 55 numaradan arayabilirsiniz.
Fren diski kalınlığı [mm] : 7
Dış çap [mm] : 247
Fren diski türü : dolu
Yükseklik [mm] : 20,3
Merkezleme çapı [mm] : 71
Delik çemberi-Ø [mm] : 108
Aks modeli : Rear
Teknik bilgi numarası : 78BD4699-2
Kontrol işareti : E1 90R-02C0100/0106
Çap [mm] : 71
Kalınlık/Kuvvet [mm] : 8
Asgari kalınlık [mm] : 7
Delik şekli/Delik sayısı : 4
Ağırlık [kg] : 5.440
PSA Orijinal, Fransa menşeli, araçlarla tam uyumlu yüksek kalite yedek parçalar sunar. Motor, fren, elektrik ve mekanik aksamda dayanıklı ve güvenilir çözümler sağlar.
4246.H0 stok numaralı bu yedek parça PSA ORJINAL marka üretimidir. PSA Orijinal, Fransa menşeli, araçlarla tam uyumlu yüksek kalite yedek parçalar sunar. Motor, fren, elektrik ve mekanik aksamda dayanıklı ve güvenilir çözümler sağlar.
Bu ürüne ait bazı OEM kodları 4246H0 4246H0SK 424699 4246.99 4246.H0 vb. şeklindedir.
Bu üründen en fazla 1 adet sipariş verilebilir. 1 adedin üzerindeki siparişleri OTOPARÇASAN iptal etme hakkını saklı tutar. Belirlenen bu limit kurumsal siparişlerde geçerli olmayıp, kurumsal siparişler için farklı limitler belirlenebilmektedir.
Ürün hakkında daha detaylı bilgi ve diğer sorularınız için Otoparcasan.com sitesini 0850 305 20 55 numaradan arayabilirsiniz.
Fren diski türü : Havalandırmalı
Dış çap [mm] : 247
Fren diski kalınlığı [mm] : 20,5
Asgari kalınlık [mm] : 18,5
Merkezleme çapı [mm] : 66
Yükseklik [mm] : 34
Delik sayısı : 4
Dişli ölçüsü : 13,6
Delik çemberi-Ø [mm] : 108
Renk : siyah
Üst yüzey : Boyalı
Kontrol işareti : E1 90R-02 C0176/0635
SVHC : Bilgi yok, lütfen üreticiye danışın!
PSA Orijinal, Fransa menşeli, araçlarla tam uyumlu yüksek kalite yedek parçalar sunar. Motor, fren, elektrik ve mekanik aksamda dayanıklı ve güvenilir çözümler sağlar.
4249.96 stok numaralı bu yedek parça PSA ORJINAL marka üretimidir. PSA Orijinal, Fransa menşeli, araçlarla tam uyumlu yüksek kalite yedek parçalar sunar. Motor, fren, elektrik ve mekanik aksamda dayanıklı ve güvenilir çözümler sağlar.
Bu ürüne ait bazı OEM kodları 424996 1618864480 16 188 644 80 169003 1690 03 4249 96 vb. şeklindedir.
Bu üründen en fazla 1 adet sipariş verilebilir. 1 adedin üzerindeki siparişleri OTOPARÇASAN iptal etme hakkını saklı tutar. Belirlenen bu limit kurumsal siparişlerde geçerli olmayıp, kurumsal siparişler için farklı limitler belirlenebilmektedir.
Ürün hakkında daha detaylı bilgi ve diğer sorularınız için Otoparcasan.com sitesini 0850 305 20 55 numaradan arayabilirsiniz.
Fren diski türü : Havalandırmalı
İlave Ürün/Bilgi 2 : ABS sensör halkası yok
Dış çap [mm] : 247,4
Fren diski kalınlığı [mm] : 20,4
Yükseklik [mm] : 34,3
Merkezleme çapı [mm] : 66
Delik çemberi-Ø [mm] : 108
Delik sayısı : 4
Asgari kalınlık [mm] : 18,5
Europar; araçlar için bakım ve onarım odaklı yedek parçalar üreten bir markadır. Filtreler, fren sistemi ürünleri, profesyonel bakım sıvıları gibi geniş ürün yelpazesi mevcuttur.
1618864480 stok numaralı bu yedek parça EUROREPAR marka üretimidir. Europar; araçlar için bakım ve onarım odaklı yedek parçalar üreten bir markadır. Filtreler, fren sistemi ürünleri, profesyonel bakım sıvıları gibi geniş ürün yelpazesi mevcuttur.
Bu ürüne ait bazı OEM kodları E169003 1611841180 169003 424694 4246A7 424996 vb. şeklindedir.
Bu üründen en fazla 1 adet sipariş verilebilir. 1 adedin üzerindeki siparişleri OTOPARÇASAN iptal etme hakkını saklı tutar. Belirlenen bu limit kurumsal siparişlerde geçerli olmayıp, kurumsal siparişler için farklı limitler belirlenebilmektedir.
Ürün hakkında daha detaylı bilgi ve diğer sorularınız için Otoparcasan.com sitesini 0850 305 20 55 numaradan arayabilirsiniz.
Fren diski kalınlığı [mm] : 20
Jant delik sayısı : 4
Tespit borularının sayısı : 2
Kalınlık/Kuvvet [mm] : 34,3
Dış çap [mm] : 247
Delik çemberi-Ø [mm] : 108
Üst yüzey : Kaplamalı
Fren diski türü : içten havalandırmalı
Montaj tarafı : Ön aks
Asgari kalınlık [mm] : 18,5
Merkezleme çapı [mm] : 66
Servis bilgisini dikkate alın :
Febi Bilstein, 1844 yılında kurulmuş geniş oto yedek parça yelpazesine sahip çok ünlü bir Alman markasıdır. SWAG ve Blueprint gibi markaları bünyesinde barındıran dünya devi Bilstein grubuna aittir.
10316 stok numaralı bu yedek parça FEBI BILSTEIN marka üretimidir. Febi Bilstein, 1844 yılında kurulmuş geniş oto yedek parça yelpazesine sahip çok ünlü bir Alman markasıdır. SWAG ve Blueprint gibi markaları bünyesinde barındıran dünya devi Bilstein grubuna aittir.
Bu ürüne ait bazı OEM kodları 4246A7 4246.A7 424996 4249.96 424694 4246.94 vb. şeklindedir.
Bu üründen en fazla 1 adet sipariş verilebilir. 1 adedin üzerindeki siparişleri OTOPARÇASAN iptal etme hakkını saklı tutar. Belirlenen bu limit kurumsal siparişlerde geçerli olmayıp, kurumsal siparişler için farklı limitler belirlenebilmektedir.
Ürün hakkında daha detaylı bilgi ve diğer sorularınız için Otoparcasan.com sitesini 0850 305 20 55 numaradan arayabilirsiniz.
Kale Balata 1976 yılında İstanbul'da kurulmuştur. Üretimlerini Gebze'de 16000 metrekarelik alanda sürdürmektedir. Ayna disk fren ve kavisli fren balatası üretiminde uzmanlaşmış öncü bir markadır.
TFD00068 stok numaralı bu yedek parça KALE BALATA marka üretimidir. Kale Balata 1976 yılında İstanbul'da kurulmuştur. Üretimlerini Gebze'de 16000 metrekarelik alanda sürdürmektedir. Ayna disk fren ve kavisli fren balatası üretiminde uzmanlaşmış öncü bir markadır.
Bu üründen en fazla 1 adet sipariş verilebilir. 1 adedin üzerindeki siparişleri OTOPARÇASAN iptal etme hakkını saklı tutar. Belirlenen bu limit kurumsal siparişlerde geçerli olmayıp, kurumsal siparişler için farklı limitler belirlenebilmektedir.
Ürün hakkında daha detaylı bilgi ve diğer sorularınız için Otoparcasan.com sitesini 0850 305 20 55 numaradan arayabilirsiniz.
Fren diski türü : dolu
Dış çap [mm] : 247
Fren diski kalınlığı [mm] : 10
Asgari kalınlık [mm] : 9
Merkezleme çapı [mm] : 66
Yükseklik [mm] : 34,2
Delik sayısı : 4
Dişli ölçüsü : 13
Delik çemberi-Ø [mm] : 108
Renk : siyah
Üst yüzey : Boyalı
Kontrol işareti : E190R-02C0190/0563
İlave Ürün/Bilgi 2 : Cıvatalar ile
SVHC : Bilgi yok, lütfen üreticiye danışın!
Europar; araçlar için bakım ve onarım odaklı yedek parçalar üreten bir markadır. Filtreler, fren sistemi ürünleri, profesyonel bakım sıvıları gibi geniş ürün yelpazesi mevcuttur.
E169001 stok numaralı bu yedek parça EUROREPAR marka üretimidir. Europar; araçlar için bakım ve onarım odaklı yedek parçalar üreten bir markadır. Filtreler, fren sistemi ürünleri, profesyonel bakım sıvıları gibi geniş ürün yelpazesi mevcuttur.
Bu ürüne ait bazı OEM kodları E169001 4246A5 4246A5SK 424689 424995 91508338 vb. şeklindedir.
Bu üründen en fazla 1 adet sipariş verilebilir. 1 adedin üzerindeki siparişleri OTOPARÇASAN iptal etme hakkını saklı tutar. Belirlenen bu limit kurumsal siparişlerde geçerli olmayıp, kurumsal siparişler için farklı limitler belirlenebilmektedir.
Ürün hakkında daha detaylı bilgi ve diğer sorularınız için Otoparcasan.com sitesini 0850 305 20 55 numaradan arayabilirsiniz.
Amortisör tespit türü : Alttaki yatak gözü
Amortisör sistemi : Çift boru
Amortisör türü : Gaz basıncı
Amortisör yapı türü : Teleskopik amortisör
Miktar birimi : Adet
Dişli ölçüsü : M14 X 150
Miktar : 1
İlave Ürün/Bilgi 2 : Oluk ile
Delik çapı [mm] : 20
Uzunluk 2 [mm] : 595
Muylu çapı [mm] : 51
Europar; araçlar için bakım ve onarım odaklı yedek parçalar üreten bir markadır. Filtreler, fren sistemi ürünleri, profesyonel bakım sıvıları gibi geniş ürün yelpazesi mevcuttur.
1623326280 stok numaralı bu yedek parça EUROREPAR marka üretimidir. Europar; araçlar için bakım ve onarım odaklı yedek parçalar üreten bir markadır. Filtreler, fren sistemi ürünleri, profesyonel bakım sıvıları gibi geniş ürün yelpazesi mevcuttur.
Bu ürüne ait bazı OEM kodları 520267 5202K9 5202N0 520315 520697 5206N3 vb. şeklindedir.
Bu üründen en fazla 1 adet sipariş verilebilir. 1 adedin üzerindeki siparişleri OTOPARÇASAN iptal etme hakkını saklı tutar. Belirlenen bu limit kurumsal siparişlerde geçerli olmayıp, kurumsal siparişler için farklı limitler belirlenebilmektedir.
Ürün hakkında daha detaylı bilgi ve diğer sorularınız için Otoparcasan.com sitesini 0850 305 20 55 numaradan arayabilirsiniz.
Amortisör tespit türü : Üstteki yatak gözü
Montaj tarafı : Arka aks
Amortisör türü : Gaz basıncı
Amortisör sistemi : Çift boru
Amortisör yapı türü : Teleskopik amortisör
maks. uzunluk [mm] : 328
min. uzunluk [mm] : 252
dikey borunun çapı [mm] : 40
piston kolu çapı [mm] : 12
PSA Orijinal, Fransa menşeli, araçlarla tam uyumlu yüksek kalite yedek parçalar sunar. Motor, fren, elektrik ve mekanik aksamda dayanıklı ve güvenilir çözümler sağlar.
5206.L2 stok numaralı bu yedek parça PSA ORJINAL marka üretimidir. PSA Orijinal, Fransa menşeli, araçlarla tam uyumlu yüksek kalite yedek parçalar sunar. Motor, fren, elektrik ve mekanik aksamda dayanıklı ve güvenilir çözümler sağlar.
Bu ürüne ait bazı OEM kodları 5206L2 520661 5206L5 5202K6 520654 520645 vb. şeklindedir.
Bu üründen en fazla 1 adet sipariş verilebilir. 1 adedin üzerindeki siparişleri OTOPARÇASAN iptal etme hakkını saklı tutar. Belirlenen bu limit kurumsal siparişlerde geçerli olmayıp, kurumsal siparişler için farklı limitler belirlenebilmektedir.
Ürün hakkında daha detaylı bilgi ve diğer sorularınız için Otoparcasan.com sitesini 0850 305 20 55 numaradan arayabilirsiniz.
Montaj tarafı : Arka aks
Amortisör türü : Gaz basıncı
Amortisör yapı türü : Amortisör yay taşıyıcılı değil
Amortisör tespit türü : Üstteki yatak gözü
Amortisör sistemi : Çift boru
PSA Orijinal, Fransa menşeli, araçlarla tam uyumlu yüksek kalite yedek parçalar sunar. Motor, fren, elektrik ve mekanik aksamda dayanıklı ve güvenilir çözümler sağlar.
5206.L3 stok numaralı bu yedek parça PSA ORJINAL marka üretimidir. PSA Orijinal, Fransa menşeli, araçlarla tam uyumlu yüksek kalite yedek parçalar sunar. Motor, fren, elektrik ve mekanik aksamda dayanıklı ve güvenilir çözümler sağlar.
Bu ürüne ait bazı OEM kodları 5206L3 5206E2 520656 5206R7 5206K1 5206K7 vb. şeklindedir.
Bu üründen en fazla 1 adet sipariş verilebilir. 1 adedin üzerindeki siparişleri OTOPARÇASAN iptal etme hakkını saklı tutar. Belirlenen bu limit kurumsal siparişlerde geçerli olmayıp, kurumsal siparişler için farklı limitler belirlenebilmektedir.
Ürün hakkında daha detaylı bilgi ve diğer sorularınız için Otoparcasan.com sitesini 0850 305 20 55 numaradan arayabilirsiniz.
Montaj tarafı : Arka aks
Amortisör türü : Gaz basıncı
Amortisör yapı türü : Amortisör yay taşıyıcılı değil
Amortisör tespit türü : Üstteki yatak gözü
Amortisör sistemi : Çift boru
PSA Orijinal, Fransa menşeli, araçlarla tam uyumlu yüksek kalite yedek parçalar sunar. Motor, fren, elektrik ve mekanik aksamda dayanıklı ve güvenilir çözümler sağlar.
5206.K7 stok numaralı bu yedek parça PSA ORJINAL marka üretimidir. PSA Orijinal, Fransa menşeli, araçlarla tam uyumlu yüksek kalite yedek parçalar sunar. Motor, fren, elektrik ve mekanik aksamda dayanıklı ve güvenilir çözümler sağlar.
Bu ürüne ait bazı OEM kodları 5206K7 5206E2 520656 5206R7 5206K1 520637 vb. şeklindedir.
Bu üründen en fazla 1 adet sipariş verilebilir. 1 adedin üzerindeki siparişleri OTOPARÇASAN iptal etme hakkını saklı tutar. Belirlenen bu limit kurumsal siparişlerde geçerli olmayıp, kurumsal siparişler için farklı limitler belirlenebilmektedir.
Ürün hakkında daha detaylı bilgi ve diğer sorularınız için Otoparcasan.com sitesini 0850 305 20 55 numaradan arayabilirsiniz.
Montaj tarafı : Ön aks
Amortisör türü : Gaz basıncı
Amortisör yapı türü : Amortisör yayı
Amortisör tespit türü : Alt plaka
Amortisör sistemi : Çift boru
PSA Orijinal, Fransa menşeli, araçlarla tam uyumlu yüksek kalite yedek parçalar sunar. Motor, fren, elektrik ve mekanik aksamda dayanıklı ve güvenilir çözümler sağlar.
5202.L8 stok numaralı bu yedek parça PSA ORJINAL marka üretimidir. PSA Orijinal, Fransa menşeli, araçlarla tam uyumlu yüksek kalite yedek parçalar sunar. Motor, fren, elektrik ve mekanik aksamda dayanıklı ve güvenilir çözümler sağlar.
Bu ürüne ait bazı OEM kodları 5202L8 9455304219 91516880 520315 520241 520217 vb. şeklindedir.
Bu üründen en fazla 1 adet sipariş verilebilir. 1 adedin üzerindeki siparişleri OTOPARÇASAN iptal etme hakkını saklı tutar. Belirlenen bu limit kurumsal siparişlerde geçerli olmayıp, kurumsal siparişler için farklı limitler belirlenebilmektedir.
Ürün hakkında daha detaylı bilgi ve diğer sorularınız için Otoparcasan.com sitesini 0850 305 20 55 numaradan arayabilirsiniz.
Amortisör tespit türü : Üstteki yatak gözü
Montaj tarafı : Arka aks
Amortisör türü : Gaz basıncı
Amortisör sistemi : Çift boru
Amortisör yapı türü : Teleskopik amortisör
maks. uzunluk [mm] : 328
min. uzunluk [mm] : 252
dikey borunun çapı [mm] : 40
piston kolu çapı [mm] : 12
PSA Orijinal, Fransa menşeli, araçlarla tam uyumlu yüksek kalite yedek parçalar sunar. Motor, fren, elektrik ve mekanik aksamda dayanıklı ve güvenilir çözümler sağlar.
5206.TL stok numaralı bu yedek parça PSA ORJINAL marka üretimidir. PSA Orijinal, Fransa menşeli, araçlarla tam uyumlu yüksek kalite yedek parçalar sunar. Motor, fren, elektrik ve mekanik aksamda dayanıklı ve güvenilir çözümler sağlar.
Bu ürüne ait bazı OEM kodları 5206TL 96130021 5206H8 5206R0 520684 5206G6 vb. şeklindedir.
Bu üründen en fazla 1 adet sipariş verilebilir. 1 adedin üzerindeki siparişleri OTOPARÇASAN iptal etme hakkını saklı tutar. Belirlenen bu limit kurumsal siparişlerde geçerli olmayıp, kurumsal siparişler için farklı limitler belirlenebilmektedir.
Ürün hakkında daha detaylı bilgi ve diğer sorularınız için Otoparcasan.com sitesini 0850 305 20 55 numaradan arayabilirsiniz.
Otoparçasan'a Nasıl Üye Olabilirim?
Sayfanın sağ üstünde yer alan “Giriş Yap” sekmesine tıklayın.
Karşınıza çıkacak sayfanın sağ tarafında “Henüz Üye Değil misiniz” kısmının en altında yer alan “Hemen Kayıt Ol” sekmesine tıklayarak açılan sayfadaki üyelik formunu doldurun. Artık üyemizsiniz.
Aramıza katıldığınızda kampanyalardan, indirimlerden ve daha pek çok fırsattan herkesten önce haberdar olacak, Garajım sekmesine seçtiğiniz aracı kaydederek tekrar arama zahmetinden kurtulacak ve Otoparçasan’a üye olmanın sürekli eklenecek ayrıcalıklarını yaşayacaksınız.
Üyelik Bilgilerimi Nasıl Değiştirebilirim?
Üyelik bilgilerinizi güncellemek için ana sayfanın sağ üst köşesinde bulunan isminizin yazıldığı menünün üzerine fare imlecinizi getirin. İmleci isminizin üzerine getirir getirmez aşağıya doğru açan listeden “Üyelik Bilgilerim” sekmesine tıklayın.
Üyelik Bilgilerime tıkladıktan sonra karşınıza çıkacak form üzerinde yazılmış bilgileri değiştirdikten sonra “Güncelle” butonuna basın. Bilgileriniz güncellenmiş olacaktır.
Şifremi Unuttum, Ne Yapmalıyım?
Şifrenizi değiştirmek ve güncellemek için ana sayfanın sağ üst köşesinde bulunan İsminizin yazıldığı menünün üzerine fare imlecinizi getirin.
Karşınıza çıkacak sekmelerden “Şifre Güncelleme” sekmesine tıklayın. Form üzerinde yazılmış bilgileri değiştirdikten sonra “Güncelle” butonuna basın. Bilgileriniz güncellenmiş olacaktır.
Arabam için doğru parçayı nasıl bulabilirim?
Ana sayfada en üst sol köşede yer alan "Aracınızı Seçiniz' başlığının altında yer alan "Şase No" sekmesine araç ruhsatınızda yazılan şase numarasını girin ya da manuel olarak 8 adımlı tablodan aracınızı seçin.
Aracınızı seçtikten sonra biz de aracınızın parçalarını aracınıza uygun olacak şekilde filtreliyoruz.
Doğru yedek parçayı bulduğunuzdan emin olmak için ürün detay sayfasında "Ürün Özellikleri" bölümünü kontrol etmeyi unutmayın
İlgilendiğim bir ürün hakkında daha detaylı bilgi alabilir miyim?
Size tüm ürünlerimiz hakkında mümkün olduğunca fazla bilgi vermeye çalışıyoruz, ancak herhangi bir ek bilgiye ihtiyacınız varsa, lütfen WhatsApp Destek Hattı üzerinden, e-posta göndererek (info@otoparcasan.com) veya +90 552 3104055 numaralı telefondan arayarak müşteri hizmetleri ekibimizle iletişim kurmayı deneyebilirsiniz. Böylece müşteri hizmeti ekibimiz size ihtiyacınız olan tüm bilgileri birebir ve detaylı olarak paylaşacaktır.
Fren Disk Aynaları ve Fren Disk Balataları tek veya çift olarak mı geliyor?
Tüm standart Fren Disk Aynaları ayrı ayrı satılmaktadır. Fren Disk Balatalar ön veya arka takım (set) olarak satılmaktadır. Bu nedenle iki adet Fren Disk Ayna için bir takım Fren disk balatası satın almak yeterli olacaktır.
Araç bilgilerimi girdim, ihtiyaç duyduğum bir parça aradığımda neden aynı markanın birden fazla parçası çıkıyor?
Üretici markaların belirli araçlara bilerek birden fazla parça tanımladığını biliyor muydunuz? (marka, model, yıl ve motor boyutunu alsak bile!).
Aracınız için doğru parçayı doğrulamak için lütfen 'Ürün özellikleri' bölümündeki detayları kontrol ederek aradığınız yedek parçaya uyumlu olduğundan emin olun. Eğer yine de aradığınız parçadan emin değilseniz, +90 552 3104055 numaralı telefondan bizi arayabilirsiniz.
Aradığım bir parça Otoparçasan'da listelenmiyor. Bulamadığım bu parçayı üreticilerden benim için temin edebilir misiniz?
Evet. Müşteri ilişkileri ekibimiz aracılığıyla sizin için sitemizde listelenmeyen yedek parçayı temin edebiliriz.
Aradığınız parçayı tedarik etmek için elimizden geleni yapacağız. +90 552 3104055 numaralı telefondan bizi arayabilirsiniz.
Fiyatlarınıza KDV dahil midir?
Tüm fiyatlarımıza KDV dahildir.
Aradığım bir ürünün stokta olup olmadığını nasıl kontrol ederim?
Her ürünün listeleme ve ürün detay bilgilerinin stok durumları yeşil ve kırmızı renklerle belirtilmiştir. Ayrıca bir ürün çevrimiçi sipariş edilebilirse, bu o ürünün stokta olduğu anlamına gelir. Web sitemiz stok durumunu açıkça gösterir.
Bir ürünün stokta olup olmadığını önceden bilmek isterseniz, lütfen e-posta veya +90 552 3104055 numaralı telefondan bizimle iletişime geçmekten çekinmeyin.
İade etmek istediğim siparişte nelere dikkat etmeliyim?
Siparişlerinizi 14 gün içerisinde iade etme hakkınız bulunmaktadır. Ancak göndereceğiniz ürünlerin yeniden satılabilirlik halinin bozulmamış olması gerekmektedir. Siparişinizde yer alan ürünlerin kullanılmamış, hasar görmememiş ve tüm aksesuarlarının tamam olmasına dikkat etmelisiniz. Ayrıca ürünlerin orijinal kutuları üzerine etiket, bant, sticker gibi orijinalliği bozacak herhangi bir uygulama yapılmamalıdır. Bu durumlarda iadeniz ne yazık ki kabul edilemeyecektir.
/robot/aaa.png)
Destek hattımıza Hafta içi : 08:45 - 18:00 - Hafta Sonu : 08:45 - 15:00 aralığında dilediğiniz zaman ulaşabilirsiniz. Veya;
Mailimize talebinizi iletebilirsiniz. En kısa zamanda dönüş sağlayacağız.