Yükleniyor..
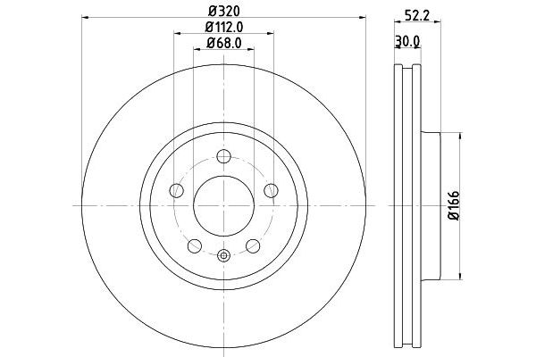
Fren diski türü : içten havalandırmalı
Dış çap [mm] : 320
Fren diski kalınlığı [mm] : 30
Yükseklik [mm] : 52,2
Asgari kalınlık [mm] : 28
Üst yüzey : Kaplamalı
İç çap [mm] : 153,2
Delik çemberi-Ø [mm] : 112
Merkezleme çapı [mm] : 68
Delik şekli/Delik sayısı : 05/06
Bijon deliği çapı [mm] : 15,3
İlave Ürün/Bilgi 2 : Poyra yok
Ağırlık [kg] : 9,9
Uzman personel tarafından montaj/demontaj gereklidir! :
HELLA, 1899'da kurulduğu Almanya merkezli, 35 ülkede 34.000'den fazla çalışanıyla dünyanın en büyük 40 otomotiv tedarikçisinden biridir. Aydınlatma ve elektronik ürünlerin satış sonrası üreticisidir.
8DD 355 113-911 stok numaralı bu yedek parça HELLA marka üretimidir. HELLA, 1899'da kurulduğu Almanya merkezli, 35 ülkede 34.000'den fazla çalışanıyla dünyanın en büyük 40 otomotiv tedarikçisinden biridir. Aydınlatma ve elektronik ürünlerin satış sonrası üreticisidir.
Bu ürüne ait bazı OEM kodları 8K0615301A 4GD615301 8K0 615 301 A L8KD615301A 8K0098301G vb. şeklindedir.
Bu üründen en fazla 1 adet sipariş verilebilir. 1 adedin üzerindeki siparişleri OTOPARÇASAN iptal etme hakkını saklı tutar. Belirlenen bu limit kurumsal siparişlerde geçerli olmayıp, kurumsal siparişler için farklı limitler belirlenebilmektedir.
Ürün hakkında daha detaylı bilgi ve diğer sorularınız için Otoparcasan.com sitesini 0850 305 20 55 numaradan arayabilirsiniz.
Fren diski türü : içten havalandırmalı
Dış çap [mm] : 345
Fren diski kalınlığı [mm] : 30
Yükseklik [mm] : 51,9
Asgari kalınlık [mm] : 28
Üst yüzey : Kaplamalı
İç çap [mm] : 146
Delik çemberi-Ø [mm] : 112
Merkezleme çapı [mm] : 68
Delik şekli/Delik sayısı : 05/06
Bijon deliği çapı [mm] : 15,3
İlave Ürün/Bilgi 2 : Poyra yok
Ağırlık [kg] : 11,3
Uzman personel tarafından montaj/demontaj gereklidir! :
HELLA, 1899'da kurulduğu Almanya merkezli, 35 ülkede 34.000'den fazla çalışanıyla dünyanın en büyük 40 otomotiv tedarikçisinden biridir. Aydınlatma ve elektronik ürünlerin satış sonrası üreticisidir.
8DD 355 117-181 stok numaralı bu yedek parça HELLA marka üretimidir. HELLA, 1899'da kurulduğu Almanya merkezli, 35 ülkede 34.000'den fazla çalışanıyla dünyanın en büyük 40 otomotiv tedarikçisinden biridir. Aydınlatma ve elektronik ürünlerin satış sonrası üreticisidir.
Bu ürüne ait bazı OEM kodları 4G0615301G 4G0615301 4G0 615 301 4G0615301AF 4G0 615 301 AF 4G0 615 301 G vb. şeklindedir.
Bu üründen en fazla 1 adet sipariş verilebilir. 1 adedin üzerindeki siparişleri OTOPARÇASAN iptal etme hakkını saklı tutar. Belirlenen bu limit kurumsal siparişlerde geçerli olmayıp, kurumsal siparişler için farklı limitler belirlenebilmektedir.
Ürün hakkında daha detaylı bilgi ve diğer sorularınız için Otoparcasan.com sitesini 0850 305 20 55 numaradan arayabilirsiniz.
Fren diski türü : içten havalandırmalı
Dış çap [mm] : 320
Fren diski kalınlığı [mm] : 30
Yükseklik [mm] : 52,2
Asgari kalınlık [mm] : 28
İşleme : Yüksek karbonlu
Üst yüzey : Kaplamalı
İç çap [mm] : 153,2
Delik çemberi-Ø [mm] : 112
Merkezleme çapı [mm] : 68
Delik şekli/Delik sayısı : 05/06
Bijon deliği çapı [mm] : 15,3
İlave Ürün/Bilgi 2 : Poyra yok
Cıvataların adedi : 1
Ağırlık [kg] : 9,9
Uzman personel tarafından montaj/demontaj gereklidir! :
HELLA, 1899'da kurulduğu Almanya merkezli, 35 ülkede 34.000'den fazla çalışanıyla dünyanın en büyük 40 otomotiv tedarikçisinden biridir. Aydınlatma ve elektronik ürünlerin satış sonrası üreticisidir.
8DD 355 128-721 stok numaralı bu yedek parça HELLA marka üretimidir. HELLA, 1899'da kurulduğu Almanya merkezli, 35 ülkede 34.000'den fazla çalışanıyla dünyanın en büyük 40 otomotiv tedarikçisinden biridir. Aydınlatma ve elektronik ürünlerin satış sonrası üreticisidir.
Bu ürüne ait bazı OEM kodları 8K0615301A 4GD615301 8K0 615 301 A L8KD615301A 8K0098301G vb. şeklindedir.
Bu üründen en fazla 1 adet sipariş verilebilir. 1 adedin üzerindeki siparişleri OTOPARÇASAN iptal etme hakkını saklı tutar. Belirlenen bu limit kurumsal siparişlerde geçerli olmayıp, kurumsal siparişler için farklı limitler belirlenebilmektedir.
Ürün hakkında daha detaylı bilgi ve diğer sorularınız için Otoparcasan.com sitesini 0850 305 20 55 numaradan arayabilirsiniz.
Otoparçasan'a Nasıl Üye Olabilirim?
Sayfanın sağ üstünde yer alan “Giriş Yap” sekmesine tıklayın.
Karşınıza çıkacak sayfanın sağ tarafında “Henüz Üye Değil misiniz” kısmının en altında yer alan “Hemen Kayıt Ol” sekmesine tıklayarak açılan sayfadaki üyelik formunu doldurun. Artık üyemizsiniz.
Aramıza katıldığınızda kampanyalardan, indirimlerden ve daha pek çok fırsattan herkesten önce haberdar olacak, Garajım sekmesine seçtiğiniz aracı kaydederek tekrar arama zahmetinden kurtulacak ve Otoparçasan’a üye olmanın sürekli eklenecek ayrıcalıklarını yaşayacaksınız.
Üyelik Bilgilerimi Nasıl Değiştirebilirim?
Üyelik bilgilerinizi güncellemek için ana sayfanın sağ üst köşesinde bulunan isminizin yazıldığı menünün üzerine fare imlecinizi getirin. İmleci isminizin üzerine getirir getirmez aşağıya doğru açan listeden “Üyelik Bilgilerim” sekmesine tıklayın.
Üyelik Bilgilerime tıkladıktan sonra karşınıza çıkacak form üzerinde yazılmış bilgileri değiştirdikten sonra “Güncelle” butonuna basın. Bilgileriniz güncellenmiş olacaktır.
Şifremi Unuttum, Ne Yapmalıyım?
Şifrenizi değiştirmek ve güncellemek için ana sayfanın sağ üst köşesinde bulunan İsminizin yazıldığı menünün üzerine fare imlecinizi getirin.
Karşınıza çıkacak sekmelerden “Şifre Güncelleme” sekmesine tıklayın. Form üzerinde yazılmış bilgileri değiştirdikten sonra “Güncelle” butonuna basın. Bilgileriniz güncellenmiş olacaktır.
Arabam için doğru parçayı nasıl bulabilirim?
Ana sayfada en üst sol köşede yer alan "Aracınızı Seçiniz' başlığının altında yer alan "Şase No" sekmesine araç ruhsatınızda yazılan şase numarasını girin ya da manuel olarak 8 adımlı tablodan aracınızı seçin.
Aracınızı seçtikten sonra biz de aracınızın parçalarını aracınıza uygun olacak şekilde filtreliyoruz.
Doğru yedek parçayı bulduğunuzdan emin olmak için ürün detay sayfasında "Ürün Özellikleri" bölümünü kontrol etmeyi unutmayın
İlgilendiğim bir ürün hakkında daha detaylı bilgi alabilir miyim?
Size tüm ürünlerimiz hakkında mümkün olduğunca fazla bilgi vermeye çalışıyoruz, ancak herhangi bir ek bilgiye ihtiyacınız varsa, lütfen WhatsApp Destek Hattı üzerinden, e-posta göndererek (info@otoparcasan.com) veya +90 552 3104055 numaralı telefondan arayarak müşteri hizmetleri ekibimizle iletişim kurmayı deneyebilirsiniz. Böylece müşteri hizmeti ekibimiz size ihtiyacınız olan tüm bilgileri birebir ve detaylı olarak paylaşacaktır.
Fren Disk Aynaları ve Fren Disk Balataları tek veya çift olarak mı geliyor?
Tüm standart Fren Disk Aynaları ayrı ayrı satılmaktadır. Fren Disk Balatalar ön veya arka takım (set) olarak satılmaktadır. Bu nedenle iki adet Fren Disk Ayna için bir takım Fren disk balatası satın almak yeterli olacaktır.
Araç bilgilerimi girdim, ihtiyaç duyduğum bir parça aradığımda neden aynı markanın birden fazla parçası çıkıyor?
Üretici markaların belirli araçlara bilerek birden fazla parça tanımladığını biliyor muydunuz? (marka, model, yıl ve motor boyutunu alsak bile!).
Aracınız için doğru parçayı doğrulamak için lütfen 'Ürün özellikleri' bölümündeki detayları kontrol ederek aradığınız yedek parçaya uyumlu olduğundan emin olun. Eğer yine de aradığınız parçadan emin değilseniz, +90 552 3104055 numaralı telefondan bizi arayabilirsiniz.
Aradığım bir parça Otoparçasan'da listelenmiyor. Bulamadığım bu parçayı üreticilerden benim için temin edebilir misiniz?
Evet. Müşteri ilişkileri ekibimiz aracılığıyla sizin için sitemizde listelenmeyen yedek parçayı temin edebiliriz.
Aradığınız parçayı tedarik etmek için elimizden geleni yapacağız. +90 552 3104055 numaralı telefondan bizi arayabilirsiniz.
Fiyatlarınıza KDV dahil midir?
Tüm fiyatlarımıza KDV dahildir.
Aradığım bir ürünün stokta olup olmadığını nasıl kontrol ederim?
Her ürünün listeleme ve ürün detay bilgilerinin stok durumları yeşil ve kırmızı renklerle belirtilmiştir. Ayrıca bir ürün çevrimiçi sipariş edilebilirse, bu o ürünün stokta olduğu anlamına gelir. Web sitemiz stok durumunu açıkça gösterir.
Bir ürünün stokta olup olmadığını önceden bilmek isterseniz, lütfen e-posta veya +90 552 3104055 numaralı telefondan bizimle iletişime geçmekten çekinmeyin.
İade etmek istediğim siparişte nelere dikkat etmeliyim?
Siparişlerinizi 14 gün içerisinde iade etme hakkınız bulunmaktadır. Ancak göndereceğiniz ürünlerin yeniden satılabilirlik halinin bozulmamış olması gerekmektedir. Siparişinizde yer alan ürünlerin kullanılmamış, hasar görmememiş ve tüm aksesuarlarının tamam olmasına dikkat etmelisiniz. Ayrıca ürünlerin orijinal kutuları üzerine etiket, bant, sticker gibi orijinalliği bozacak herhangi bir uygulama yapılmamalıdır. Bu durumlarda iadeniz ne yazık ki kabul edilemeyecektir.
/robot/aaa.png)
Destek hattımıza Hafta içi : 08:45 - 18:00 - Hafta Sonu : 08:45 - 15:00 aralığında dilediğiniz zaman ulaşabilirsiniz. Veya;
Mailimize talebinizi iletebilirsiniz. En kısa zamanda dönüş sağlayacağız.